廣州醫藥有限公司成立于1951年,是廣藥集團控股子公司--廣州藥業股份有限公司("廣州藥業")屬下子公司,是華南地區較大的醫藥流通企業,改造項目位于廣州市白云區增槎路的物流倉庫。
該空調系統確保黃金圍醫藥倉庫內溫度維持在20℃以內,對于倉庫內價值連城的藥品起到至關重要的作用。
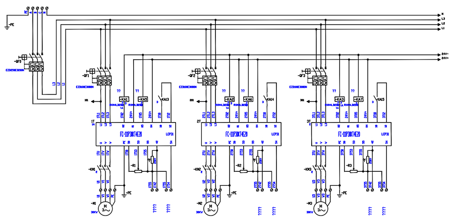
該空調系統有水泵6臺(冷卻水泵30KW為兩用一備、冷凍水泵30KW為兩用一備),及冷卻塔風機2臺(功率4KW),在每一樓層配置1-3臺11KW風機(共計24臺)進行送風,目前均以工頻方式運行。
水泵及風機采用直接工頻的方式運行,存在啟動電流大、機械沖擊大、電氣特性保護差等缺點,時常出現水泵燒壞、電機燒毀、管路連接處漏水的現象,不但浪費了能源而且加快了設備損耗,維護費用高。
1、增加DDC系統,可通過系統設定恒定溫度,根據設定溫度自動控制各冷卻水泵、冷凍水泵、冷卻塔風機、風機的啟停,及各管道電動蝶閥的通斷;
2、冷卻水泵、冷凍水泵、冷卻塔風機、風機的啟停,及各管道電動蝶閥的通斷,也可單獨切換到手動運行,保障系統的運行;
3、降低運行人員勞動量,不用到每個配電箱手動啟停;
4、操作簡單,運行可靠,維護方便,費用合理;
5、實現節能;
6、當變頻器出現故障時,可通過柜門上轉換開關切換到工頻運行模式,極大保障系統的穩定運行;
| 序號 | 物料名稱 | 規格型號 | 數量 | 單位 |
| 1 | 變頻配電箱 | H2200*W1000*D600 | 1 | 個 |
| 2 | 變頻配電箱 | H1000*W600*D400 | 24 | 個 |
| 3 | DDC控制箱 | H1000*W800*D200 | 11 | 個 |
| 4 | DDC控制箱 | H800*W600*D200 | 2 | 個 |
| 5 | DDC控制箱 | H600*W500*D200 | 2 | 個 |
| 合計 | 40 | 個 | ||



1、現場改造施工量小,只需要更換已損壞的管道及電動蝶閥;
2、配電箱安裝在舊配電箱附近,僅需要從舊配電線重新布線至新配電箱10米以內的距離即可;
3、操作維護方便,操作人員只需操作柜門的選擇開關、按鈕、電位計就能實現手動運行模式,通過DDC只需要在PC上設定恒定溫度及選擇啟動即可實現系統的全自動運行,方便靈活的手自動運行模式切換;
4、保護功能齊全,丹佛斯變頻器能對電機提供多重保護,如過流、缺相、短路、接地等等;采用變頻控制后,系統的機械沖擊消失,水錘現象也沒有了;
5、系統運行可靠,當變頻器出現故障后,可通過柜門轉換開關切換到工頻運行模式,保障系統不間斷可靠運行;
6、節能,丹佛斯變頻器內置的PID功能,可根據水壓自動調整輸出頻率,可實現節能;
設備在2017年5月底正式交接給客戶,系統穩定運行,節能效果明顯。